双输出

OSS——输出开关信号

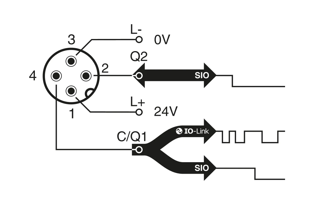
OSS1(输出 1)与 4 号引脚/导线相连。与 IO-Link 主设备连接时,可用作 IO-Link 引脚

OSS2(输出 2)与 2 号引脚/导线相连。也可在 DMS 传感器上配置为 SIO 输入。

配置输出

1
不活动

在维护和测试程序期间,将输出设置为不活动。

2
活动

将输出设置为激活。
将输出逻辑设为:
高电平有效 (NO) 或低电平有效 (NC)

选择要重定向到输出引脚的内部源信号。
*仅适用于电感式 DMS 传感器

有条件输出逻辑

可选择将内部信号、警报和/或来自 OSS2 输入端的外部信号结合起来。 使用或、与或与或 函数定义条件输出逻辑。

将输出端 2 配置为输入端

将 OSS2(输出 2)配置为输入信号,用于 OSS1(输出 1)的逻辑功能。 适用于多个传感器或设备的菊花链连接。

将输出 2 配置为输入,以触发 SSC1(开关点 1)上的单值示教。